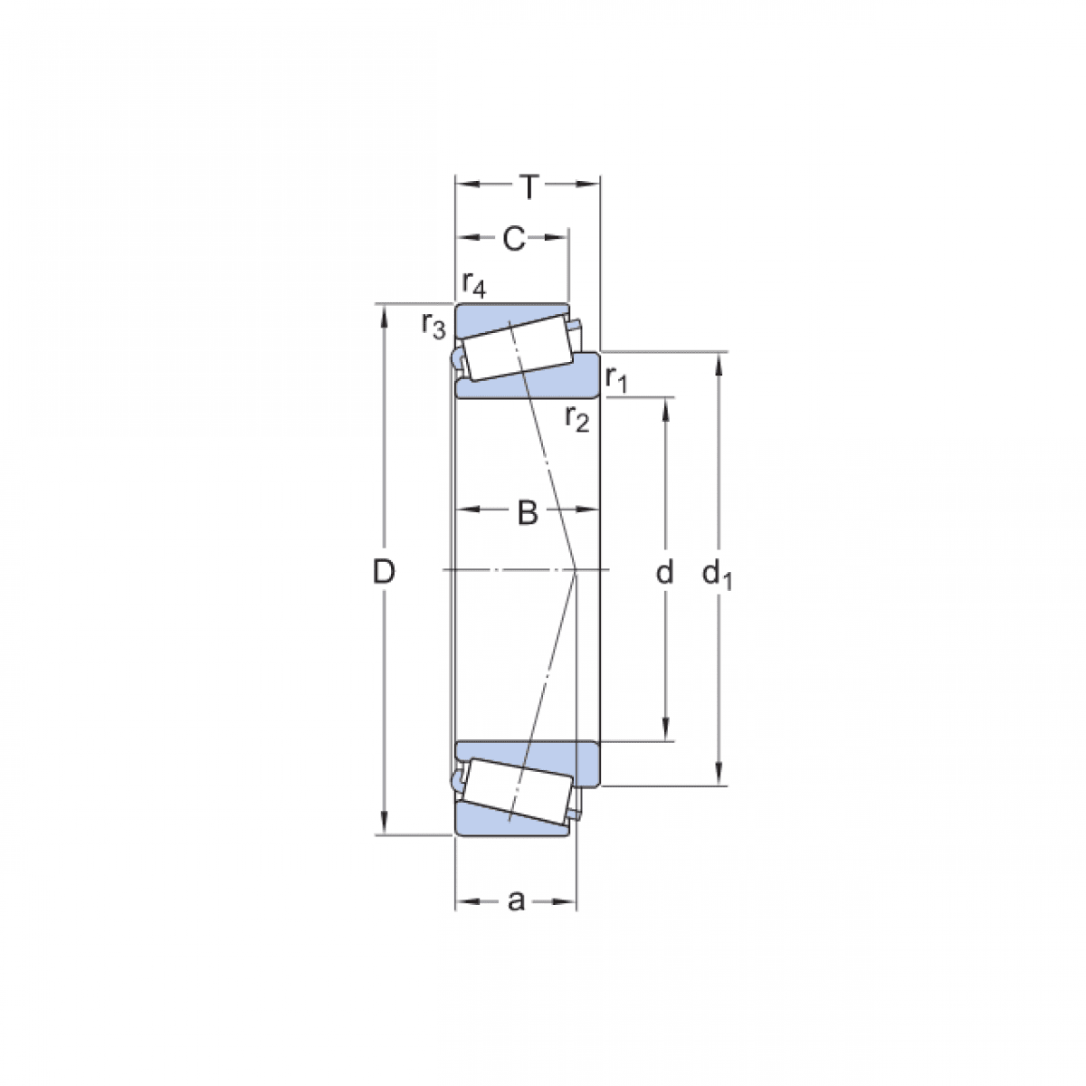
Ložisko 32222 - URB

Rozmer: 110x200x56 Značka: URB
Externý sklad na dopyt
+
-
ks