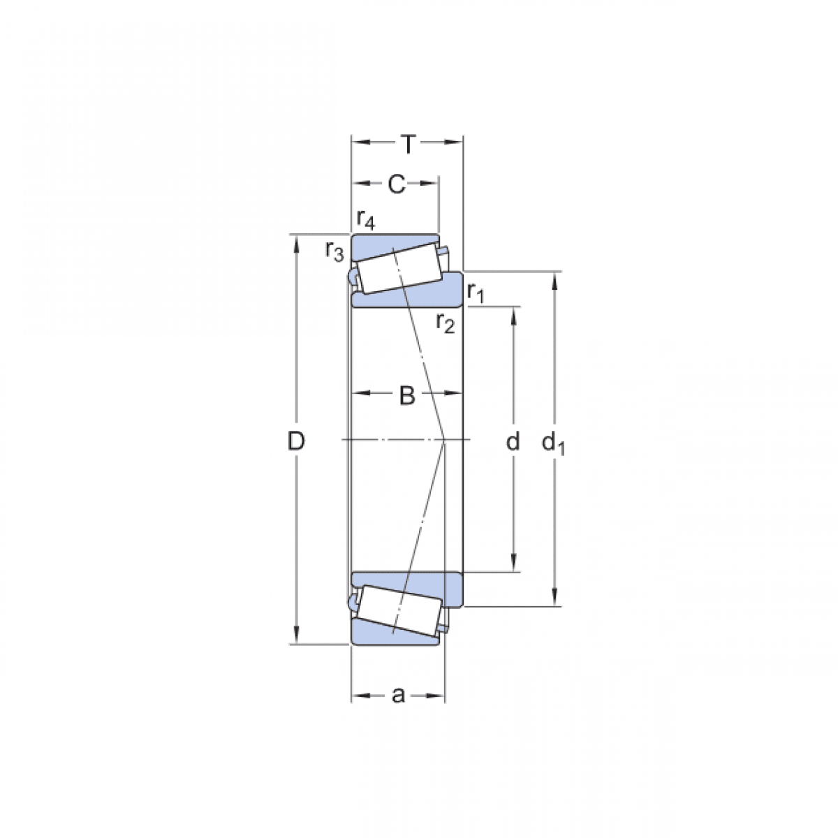
Ložisko 32224 - CX

Rozmer: 120x215x61,5 Značka: CX
Externý sklad na dopyt
+
-
ks