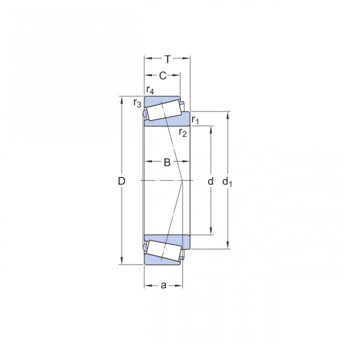
Ložisko 32224 JR - KOYO

Rozmer: 120x215x61,5 Značka: KOYO-TORRINGTON
Externý sklad na dopyt
+
-
ks