Ložisko 32228 - CX

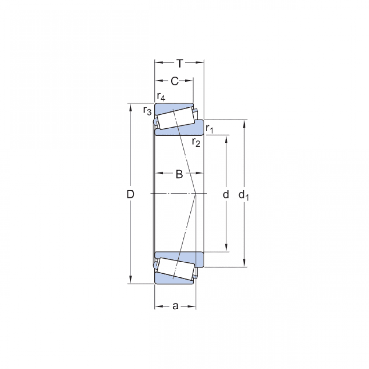
Rozmer: 140x250x143,5 Značka: CX
Skladom 1 ks na dopyt
+
-
ks