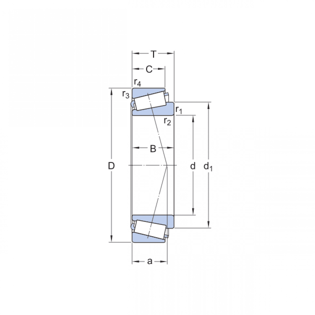
Ložisko 32310 - FAG

Rozmer: 50x110x42,25 Značka: FAG
Externý sklad na dopyt
+
-
ks