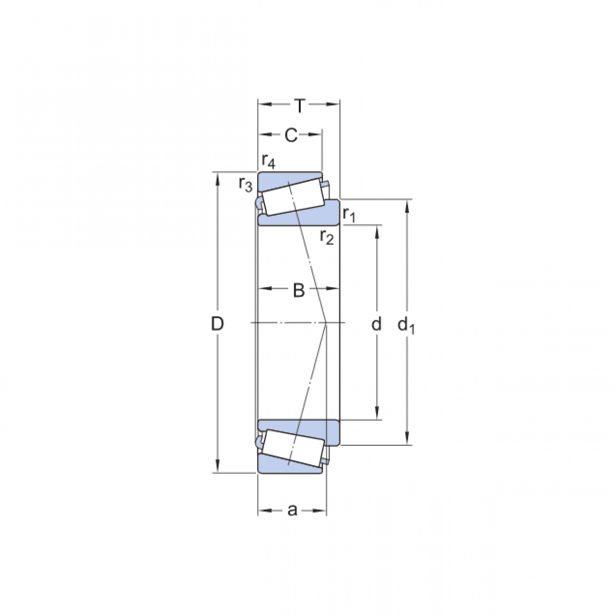
Ložisko 32314 (7614) - GPZ

Rozmer: 70x150x54 Značka: GPZ
Externý sklad na dopyt
+
-
ks