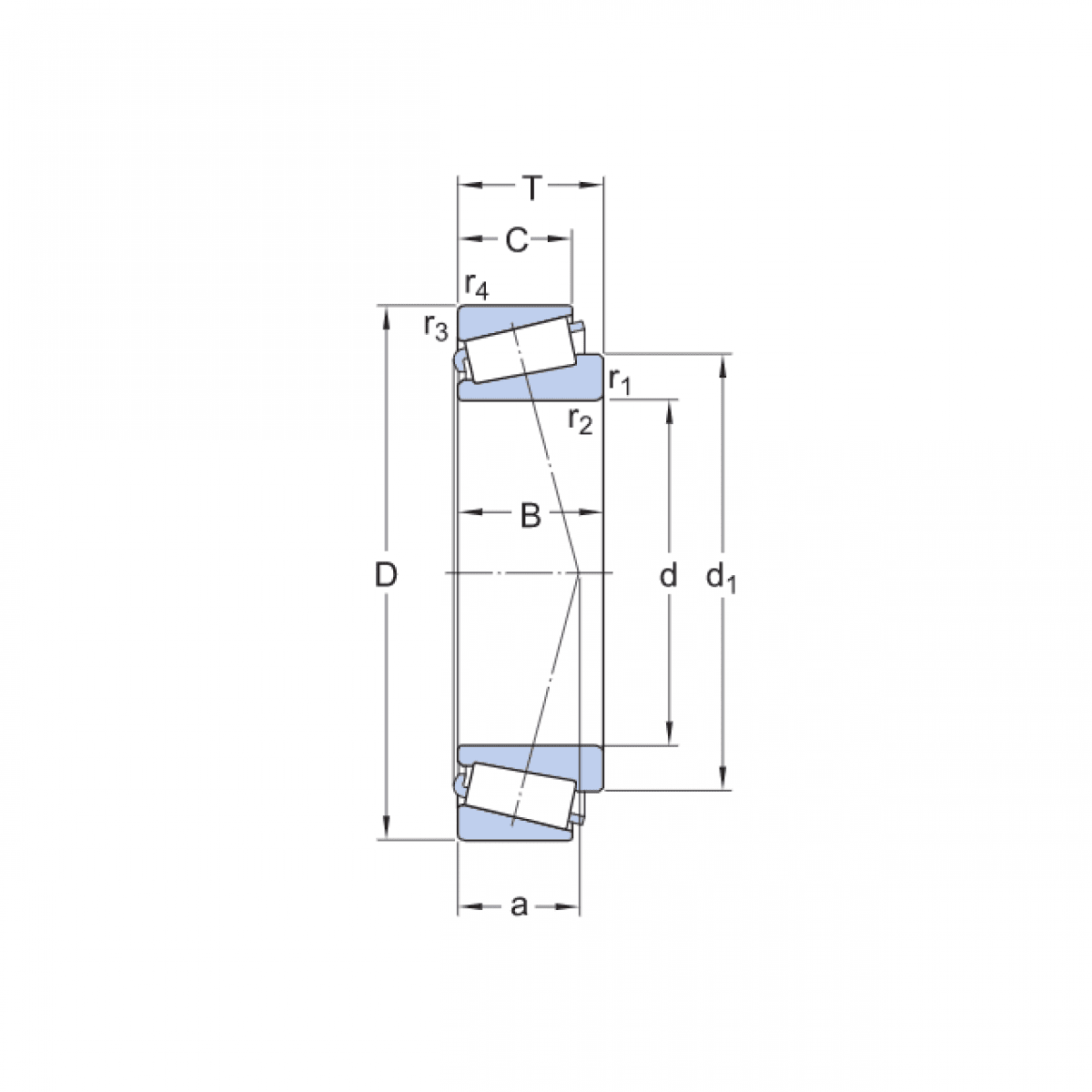
Ložisko 32908 JR-1 LFT - KOYO

Rozmer: 40x62x15 Značka: KOYO-TORRINGTON
Externý sklad na dopyt
+
-
ks