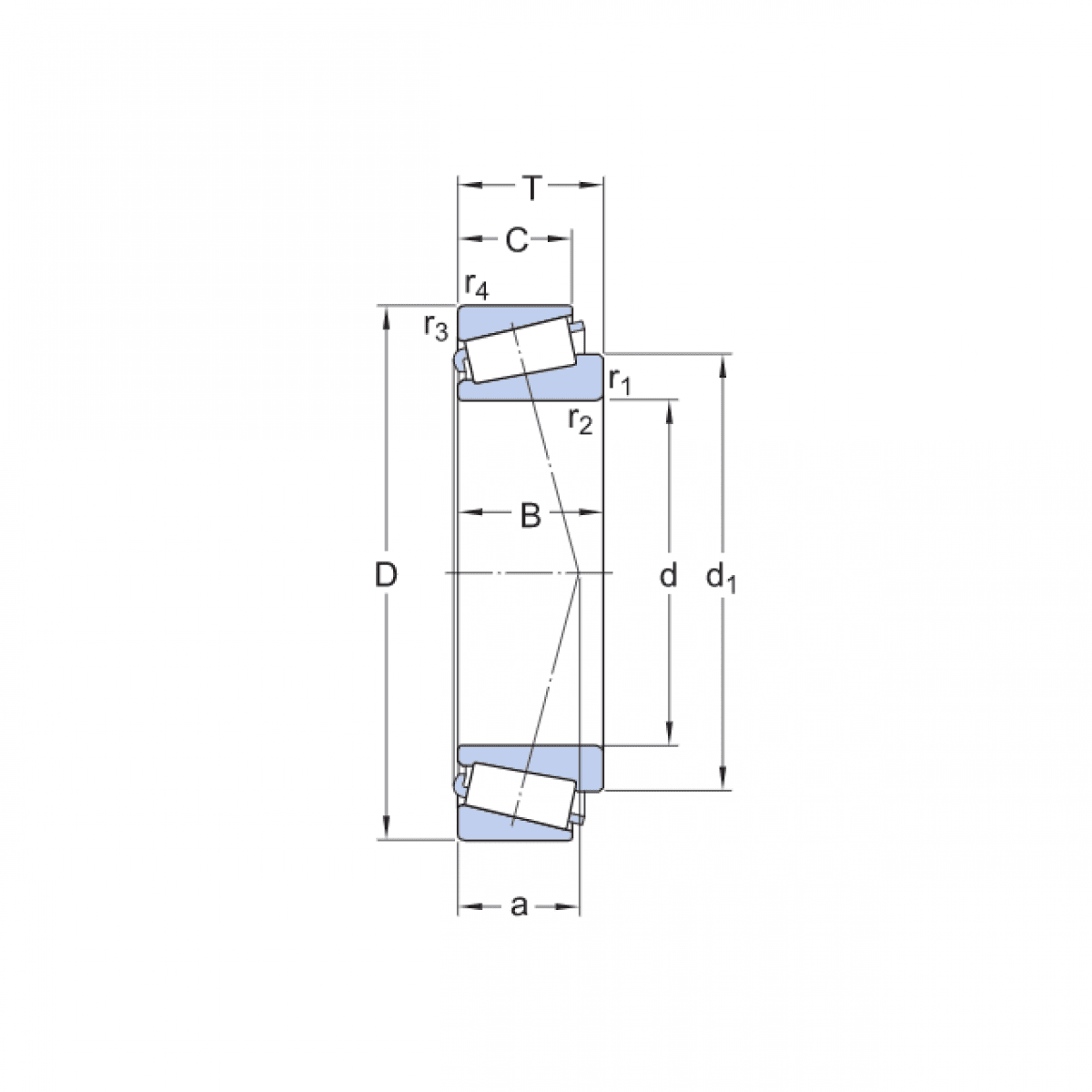
Ložisko 32908 - NAF

Rozmer: 40x62x15 Značka: FERSA, NAF, FEBI
Externý sklad na dopyt
+
-
ks