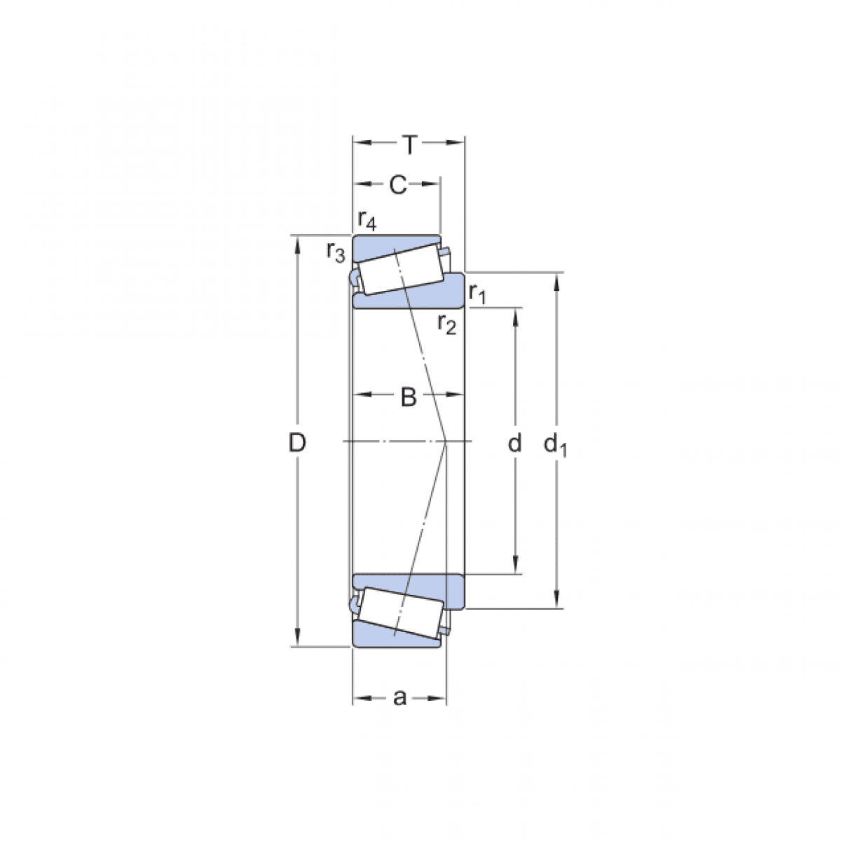
Ložisko 32911 JR - KOYO

Rozmer: 55x80x17 Značka: KOYO-TORRINGTON
Externý sklad na dopyt
+
-
ks