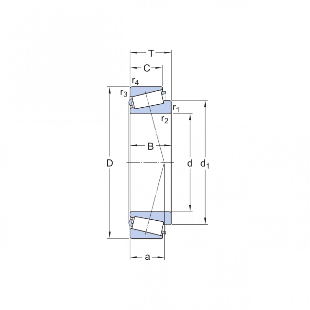
Ložisko 32916 JR - KOYO

Rozmer: 80x110x20 Značka: KOYO-TORRINGTON
Externý sklad na dopyt
+
-
ks