Ložisko 32921 - FAG

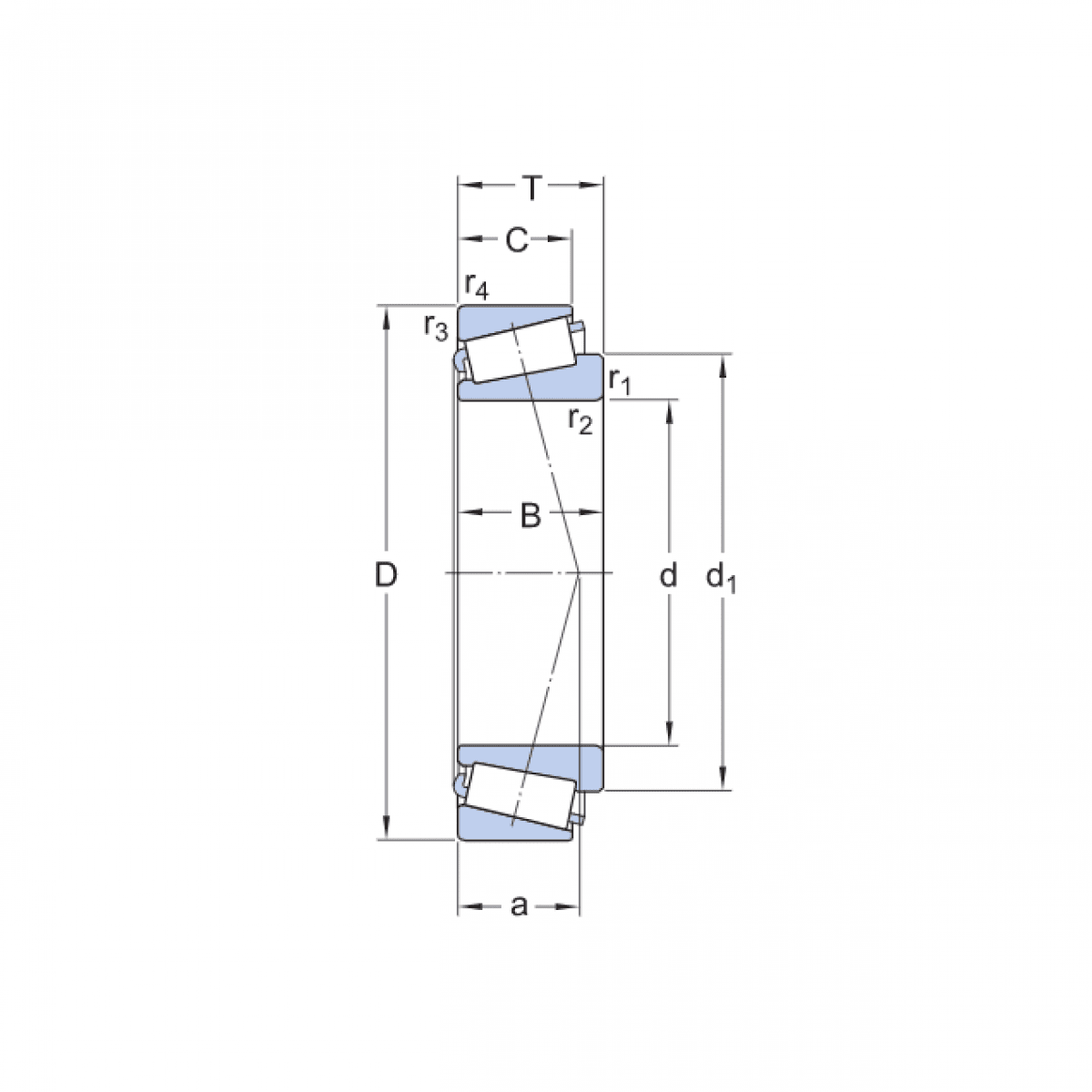
Rozmer: 105x145x25 Značka: FAG
Externý sklad na dopyt
+
-
ks