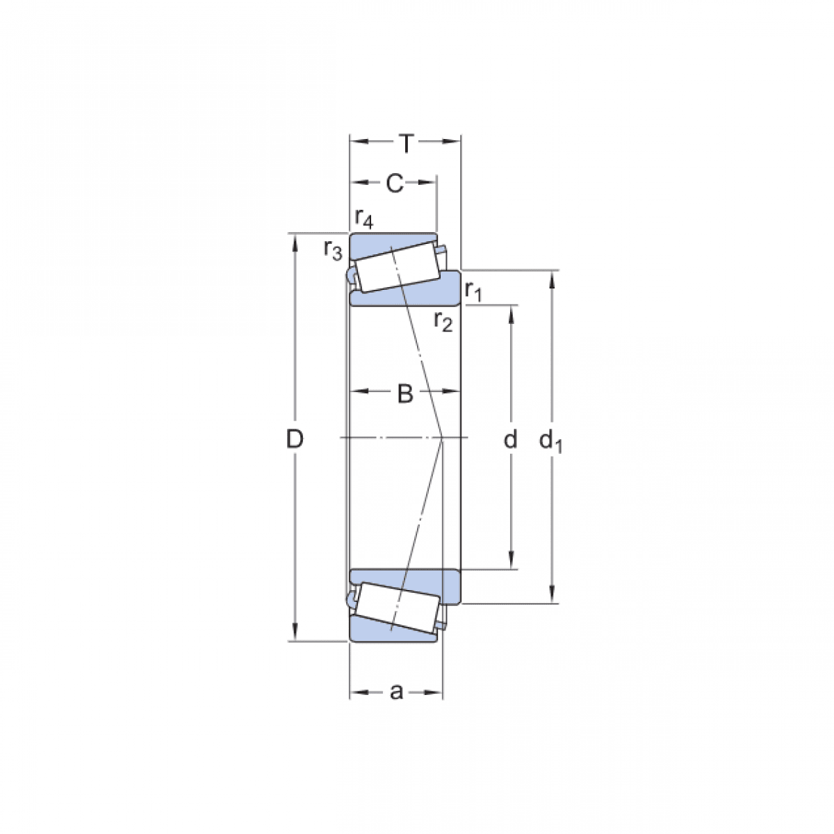
Ložisko 32922 JR - KOYO

Rozmer: 110x150x25 Značka: KOYO-TORRINGTON
Externý sklad na dopyt
+
-
ks