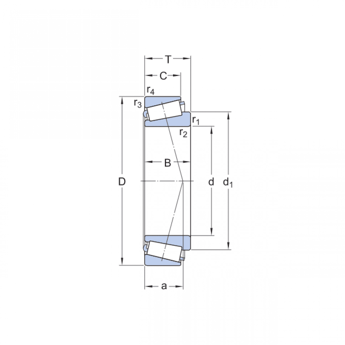
Ložisko 32924 - FAG

Rozmer: 120x165x29 Značka: FAG
Externý sklad na dopyt
+
-
ks