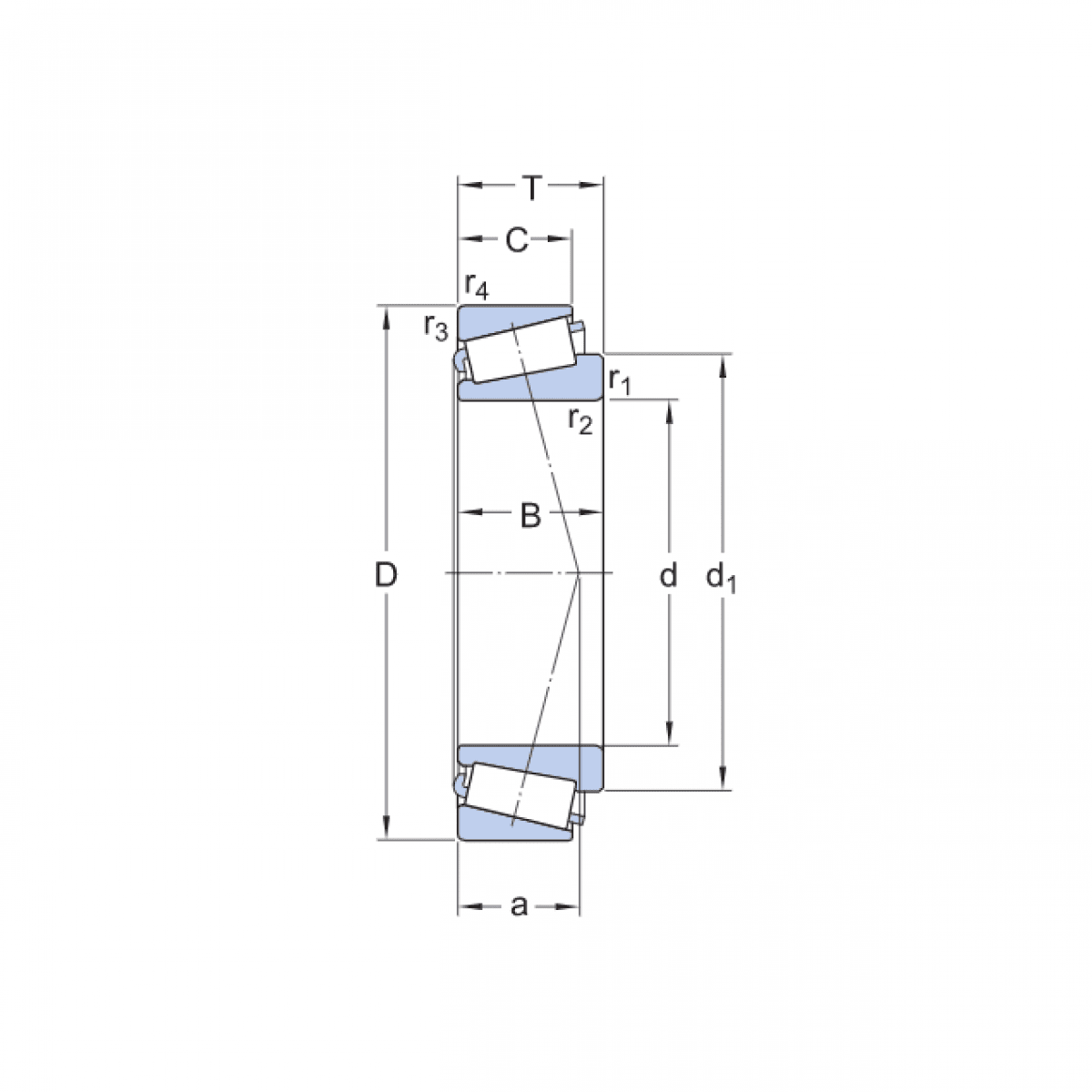
Ložisko 32924 JR - KOYO

Rozmer: 120x165x29 Značka: KOYO-TORRINGTON
Externý sklad na dopyt
+
-
ks