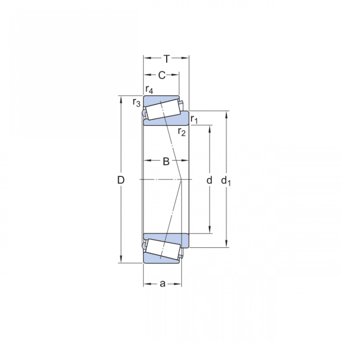
Ložisko 32934 FAG

Rozmer: 170x230x38 Značka: FAG
Externý sklad na dopyt
+
-
ks