Ložisko 32934 JR - KOYO

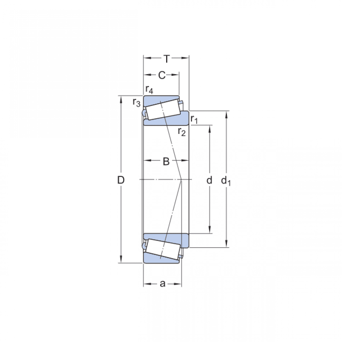
Rozmer: 170x230x38 Značka: KOYO-TORRINGTON
Externý sklad na dopyt
+
-
ks