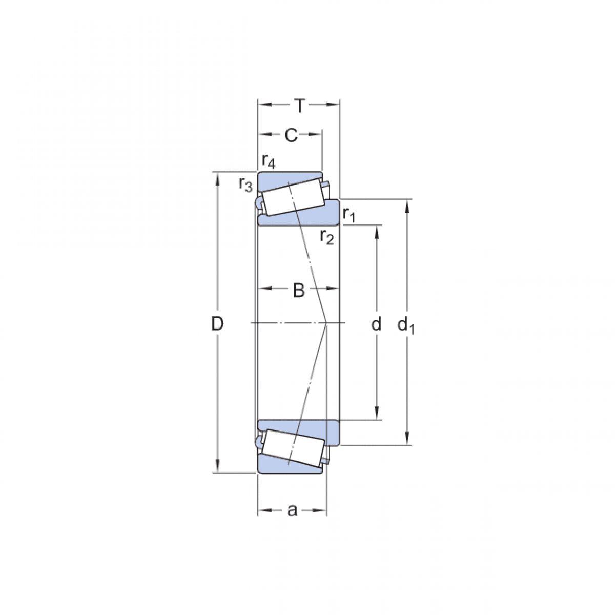
Ložisko 32938 A - CX

Rozmer: 190x260x45 Značka: CX
Externý sklad na dopyt
+
-
ks