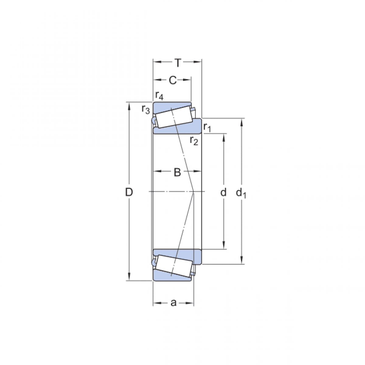
Ložisko 33005 J - NSK

Rozmer: 25x47x17 Značka: NSK
Externý sklad na dopyt
+
-
ks