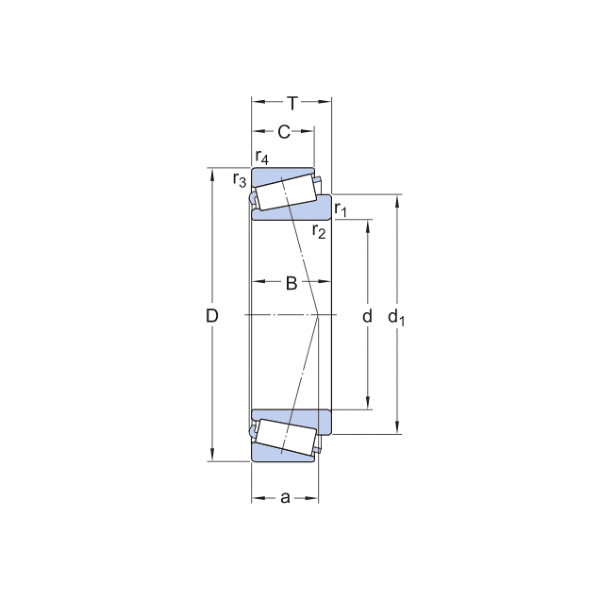
Ložisko 33108 JR-1 - KOYO

Rozmer: 40x75x26 Značka: KOYO-TORRINGTON
Skladom 1 ks na dopyt
+
-
ks