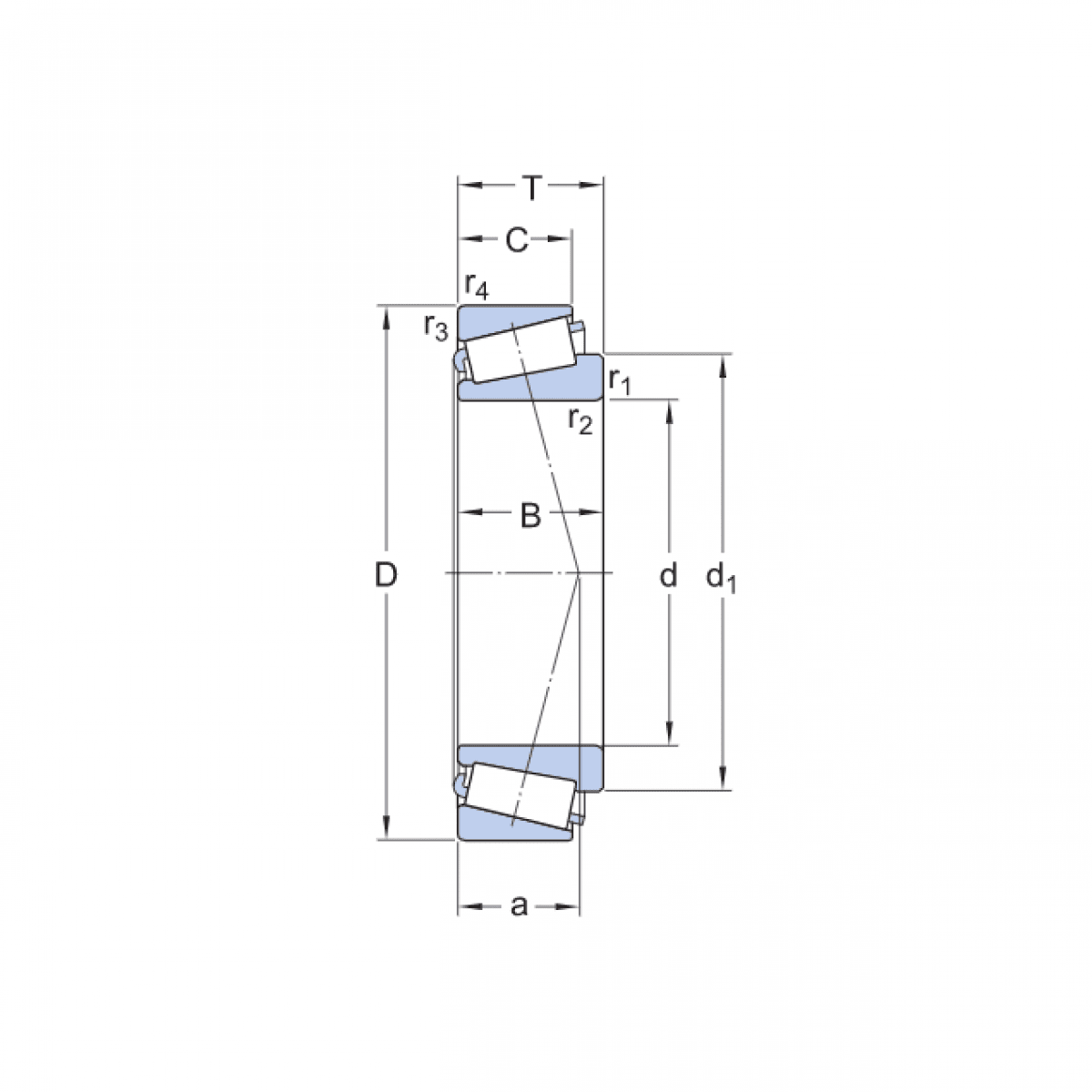
Ložisko 33108 P6 - BBC

Rozmer: 40x75x26 Značka: BBC
Skladom 4 ks na dopyt
+
-
ks