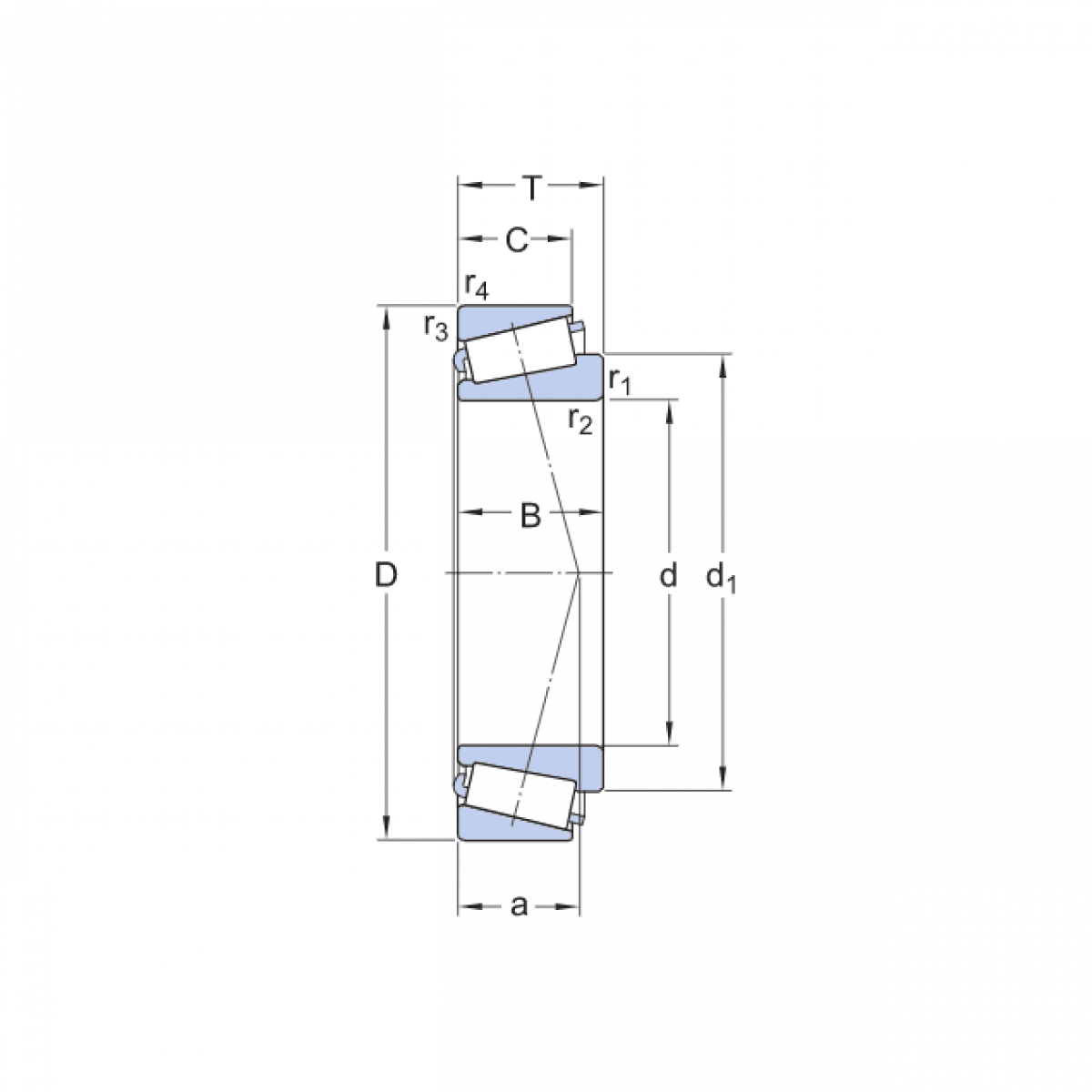
Ložisko 33109 A - ZKL

Rozmer: 45x80x26 Značka: ZKL
Externý sklad na dopyt
+
-
ks