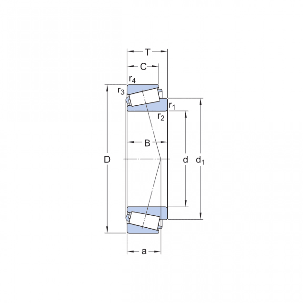
Ložisko 33109 JR - KOYO

Rozmer: 45x80x26 Značka: KOYO-TORRINGTON
Externý sklad na dopyt
+
-
ks