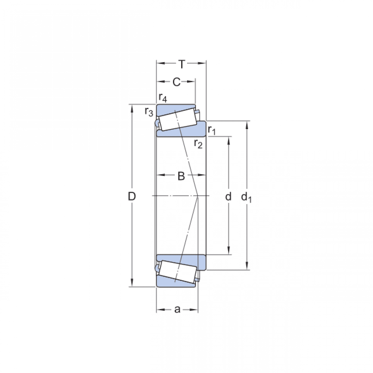
Ložisko 33109 - KBS

Rozmer: 45x80x26 Značka: KBS, KBC
Externý sklad na dopyt
+
-
ks