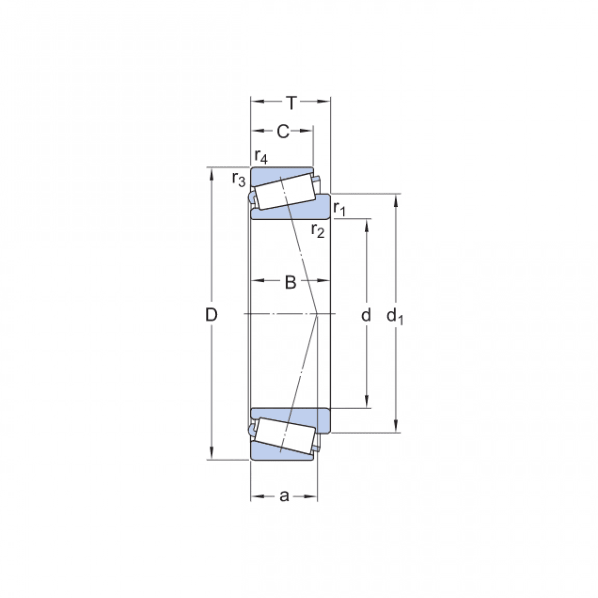
Ložisko 33110 JR - KOYO

Rozmer: 50x85x26 Značka: KOYO-TORRINGTON
Externý sklad na dopyt
+
-
ks