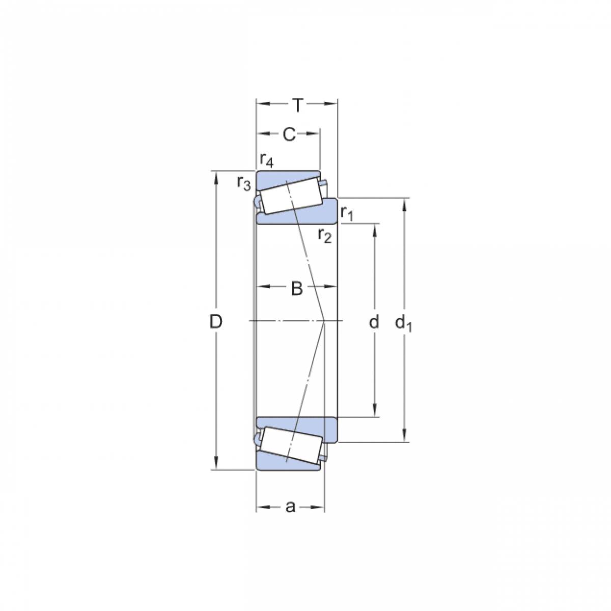
Ložisko 33110 P6 - BBC

Rozmer: 50x85x26 Značka: BBC
Externý sklad na dopyt
+
-
ks