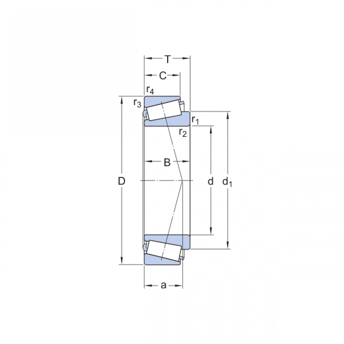
Ložisko 33110 - TIMKEN

Rozmer: 50x85x26 Značka: TIMKEN
Externý sklad na dopyt
+
-
ks