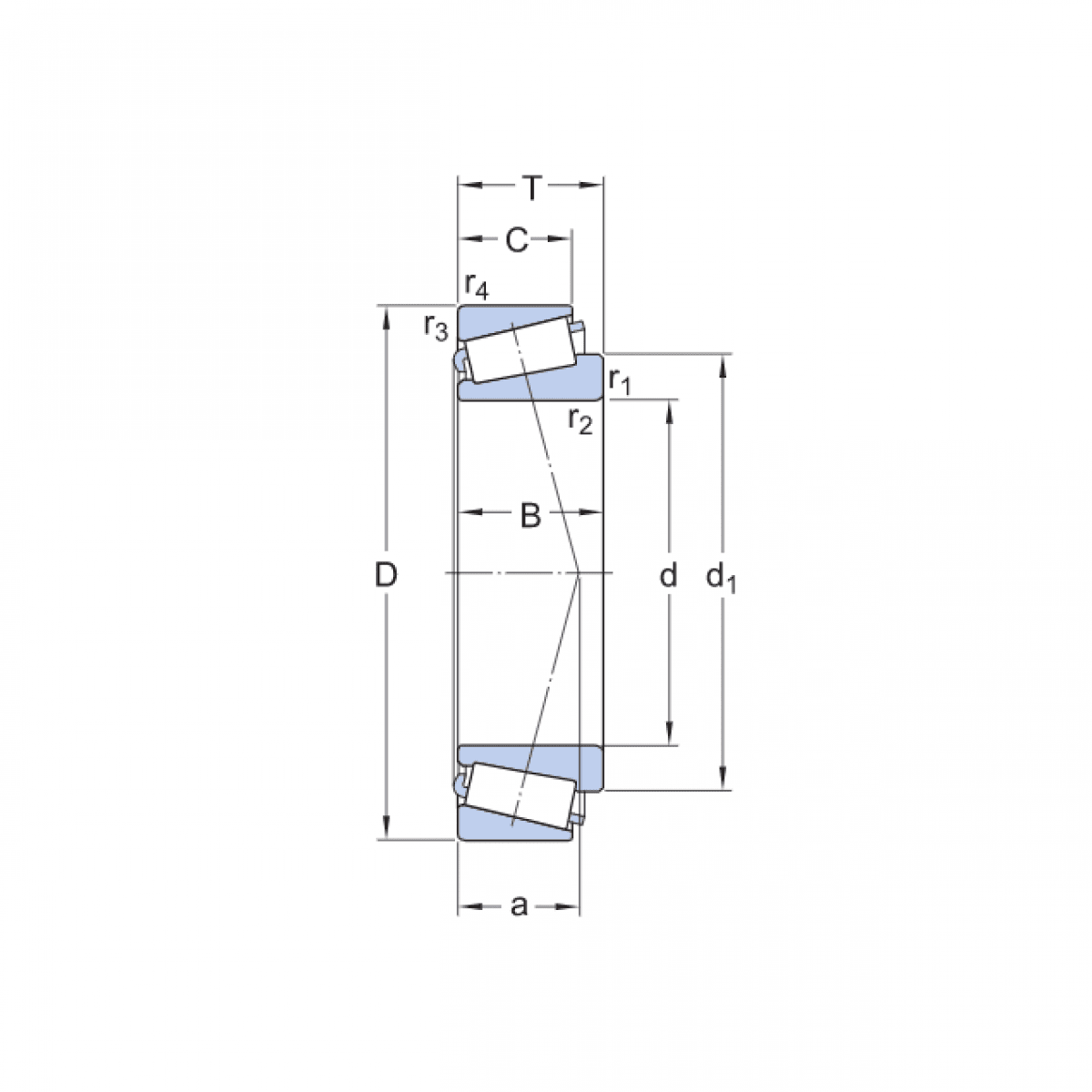
Ložisko 33111 A - CX

Rozmer: 55x95x30 Značka: CX
Skladom 3 ks na dopyt
+
-
ks