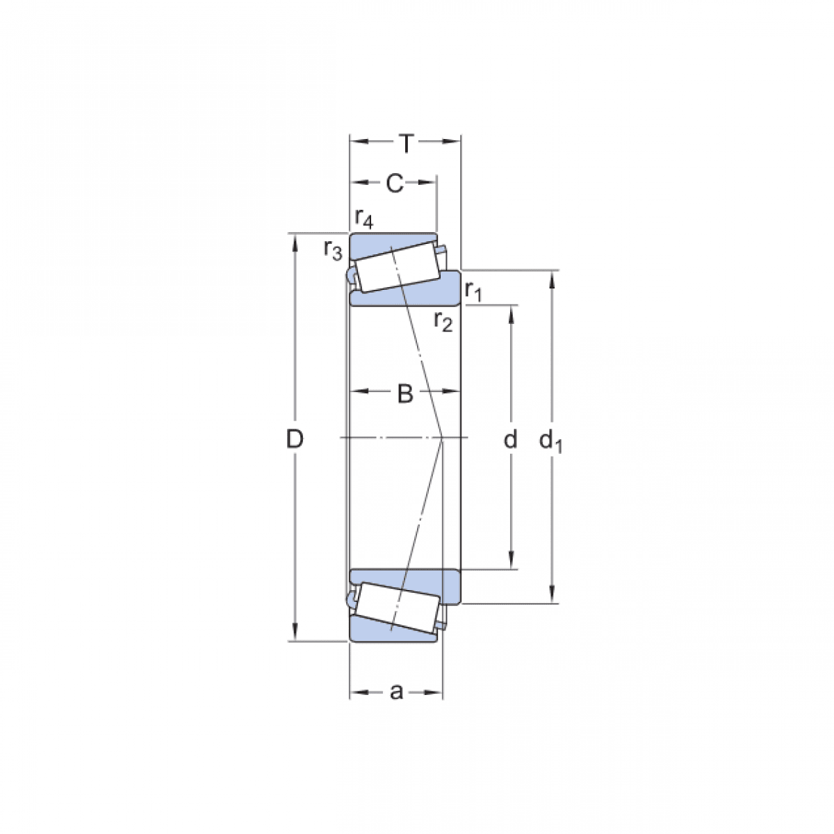
Ložisko 33111 A - KINEX

Rozmer: 55x95x30 Značka: KINEX
Externý sklad na dopyt
+
-
ks