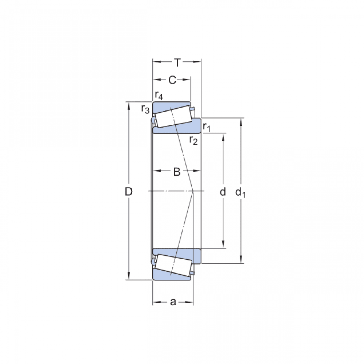
Ložisko 33111 - BBC

Rozmer: 55x95x30 Značka: BBC
Skladom 4 ks na dopyt
+
-
ks