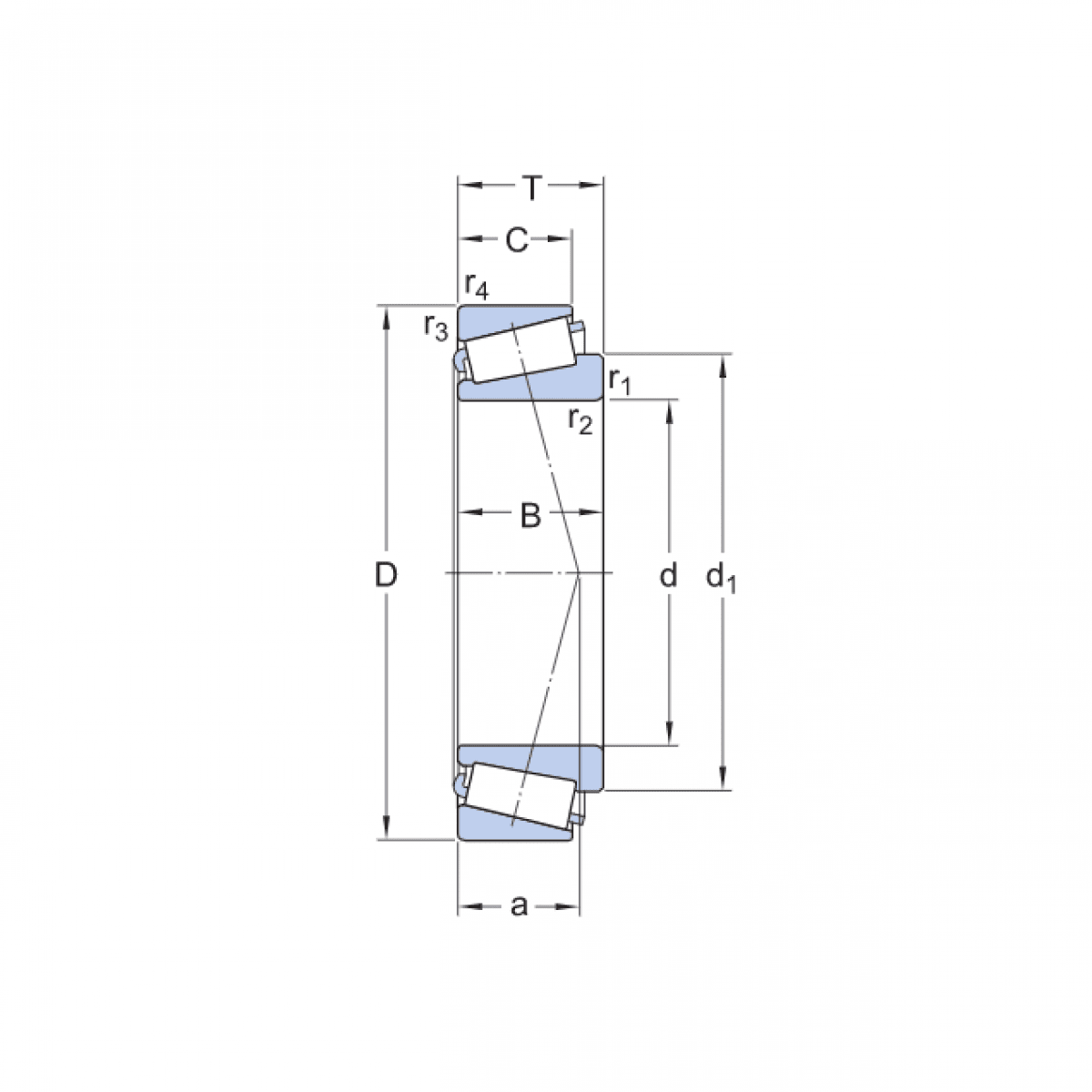
Ložisko 33111 JR - KOYO

Rozmer: 55x95x30 Značka: KOYO-TORRINGTON
Externý sklad na dopyt
+
-
ks