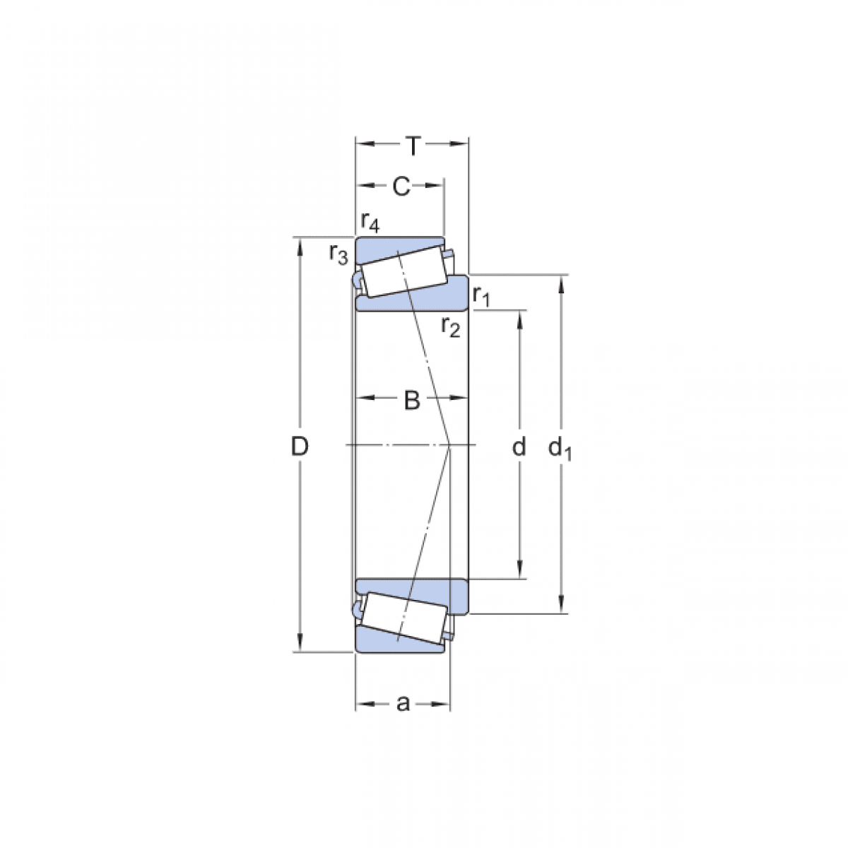
Ložisko 33112 JR - KOYO

Rozmer: 60x100x30 Značka: KOYO-TORRINGTON
Externý sklad na dopyt
+
-
ks