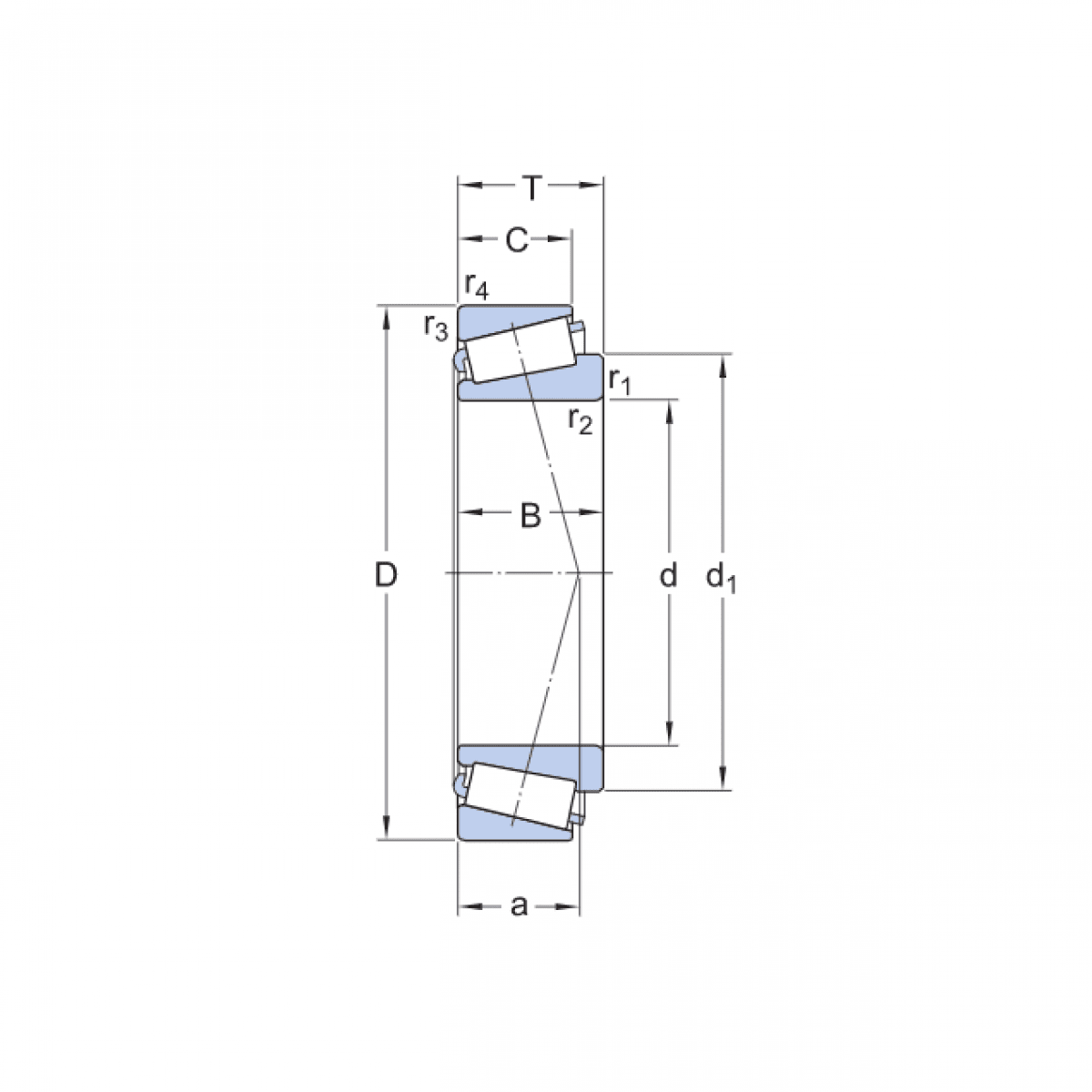
Ložisko 33113 A - ZKL NEW

Rozmer: 65x110x34 Značka: ZKL
Externý sklad na dopyt
+
-
ks