Ložisko 33113 - FAG

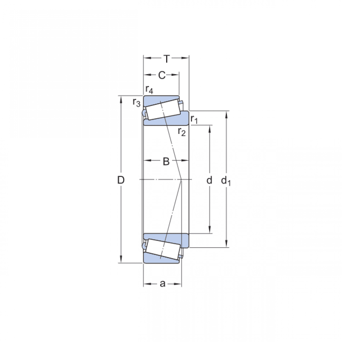
Rozmer: 65x110x34 Značka: FAG
Externý sklad na dopyt
+
-
ks