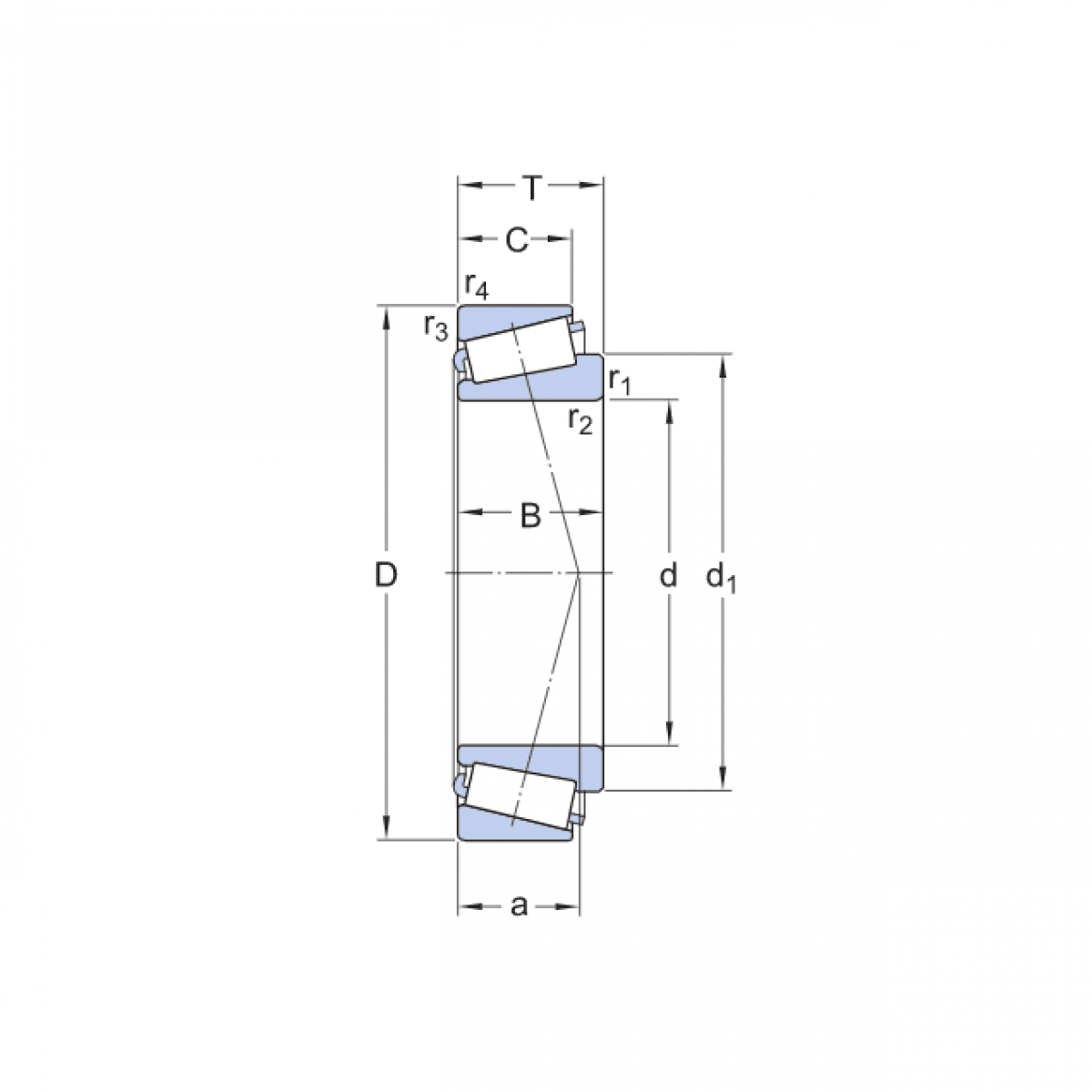
Ložisko 33114 - CX

Rozmer: 70x120x37 Značka: CX
Externý sklad na dopyt
+
-
ks