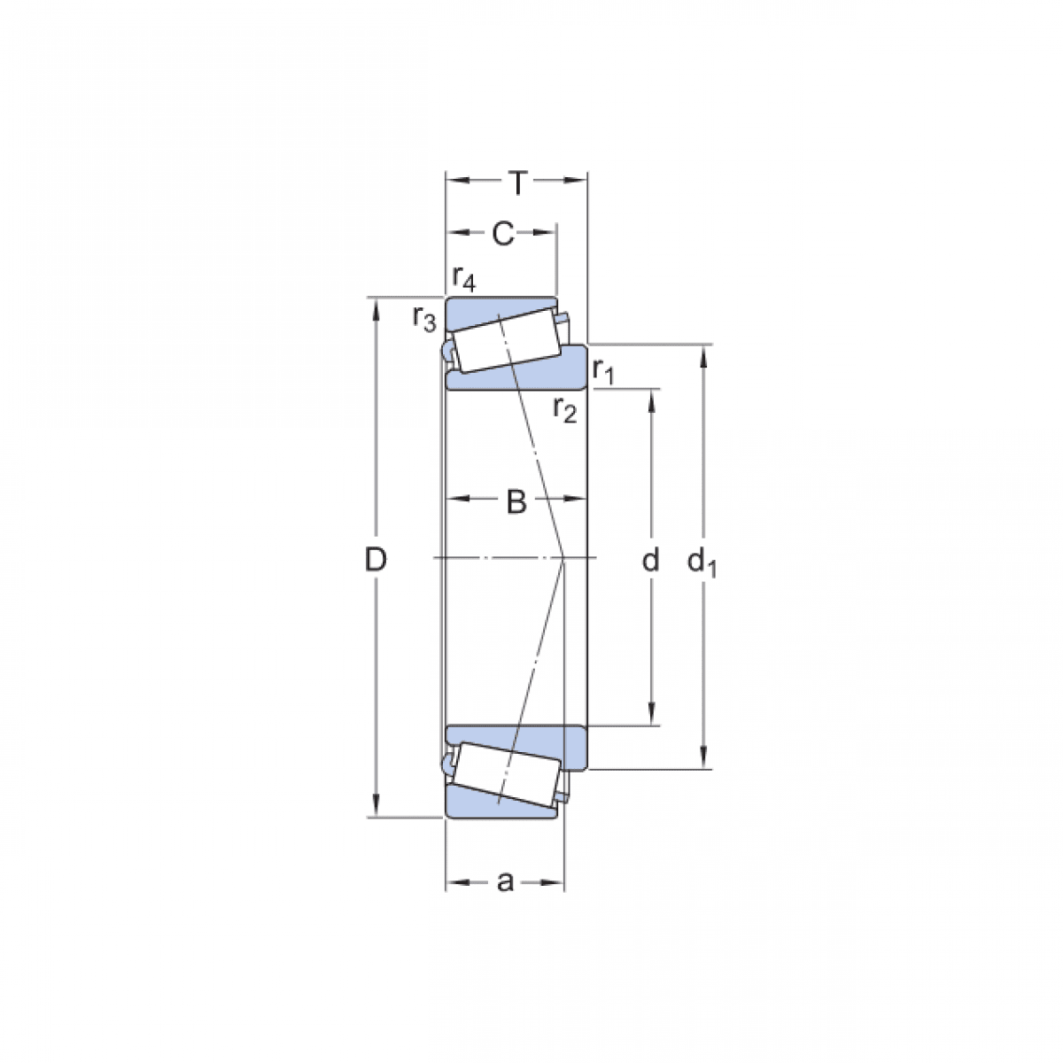
Ložisko 33114 - KBS

Rozmer: 70x120x37 Značka: KBS, KBC
Externý sklad na dopyt
+
-
ks