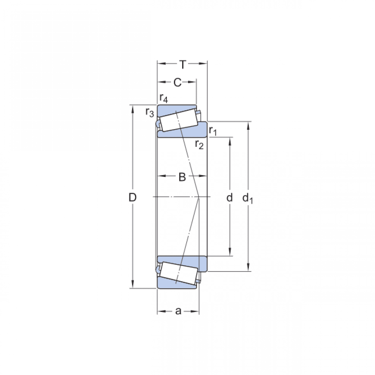
Ložisko 33116 - FAG

Rozmer: 80x130x37 Značka: FAG
Externý sklad na dopyt
+
-
ks