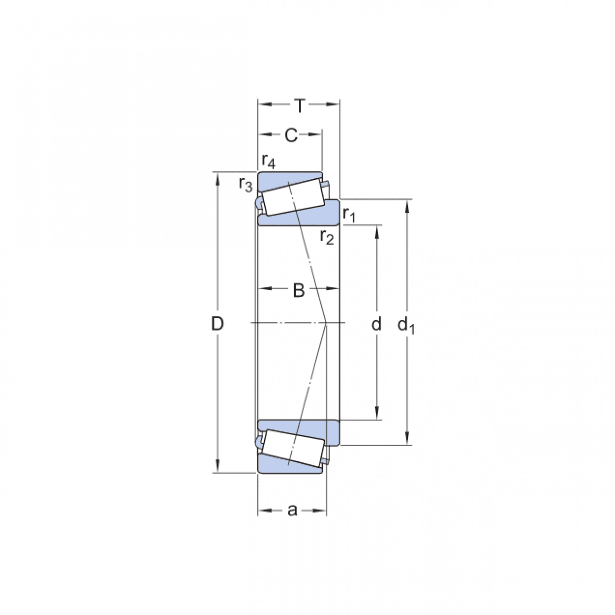
Ložisko 33116 - KBS

Rozmer: 80x130x37 Značka: KBS, KBC
Externý sklad na dopyt
+
-
ks