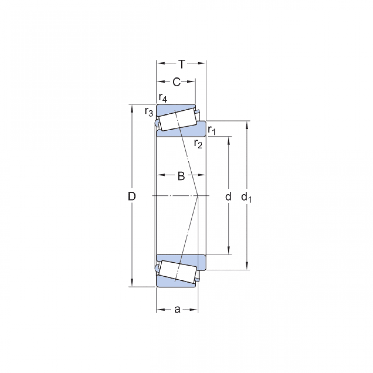
Ložisko 33117 A - CX

Rozmer: 85x140x41 Značka: CX
Skladom 3 ks na dopyt
+
-
ks