Ložisko 33117 JR - KOYO

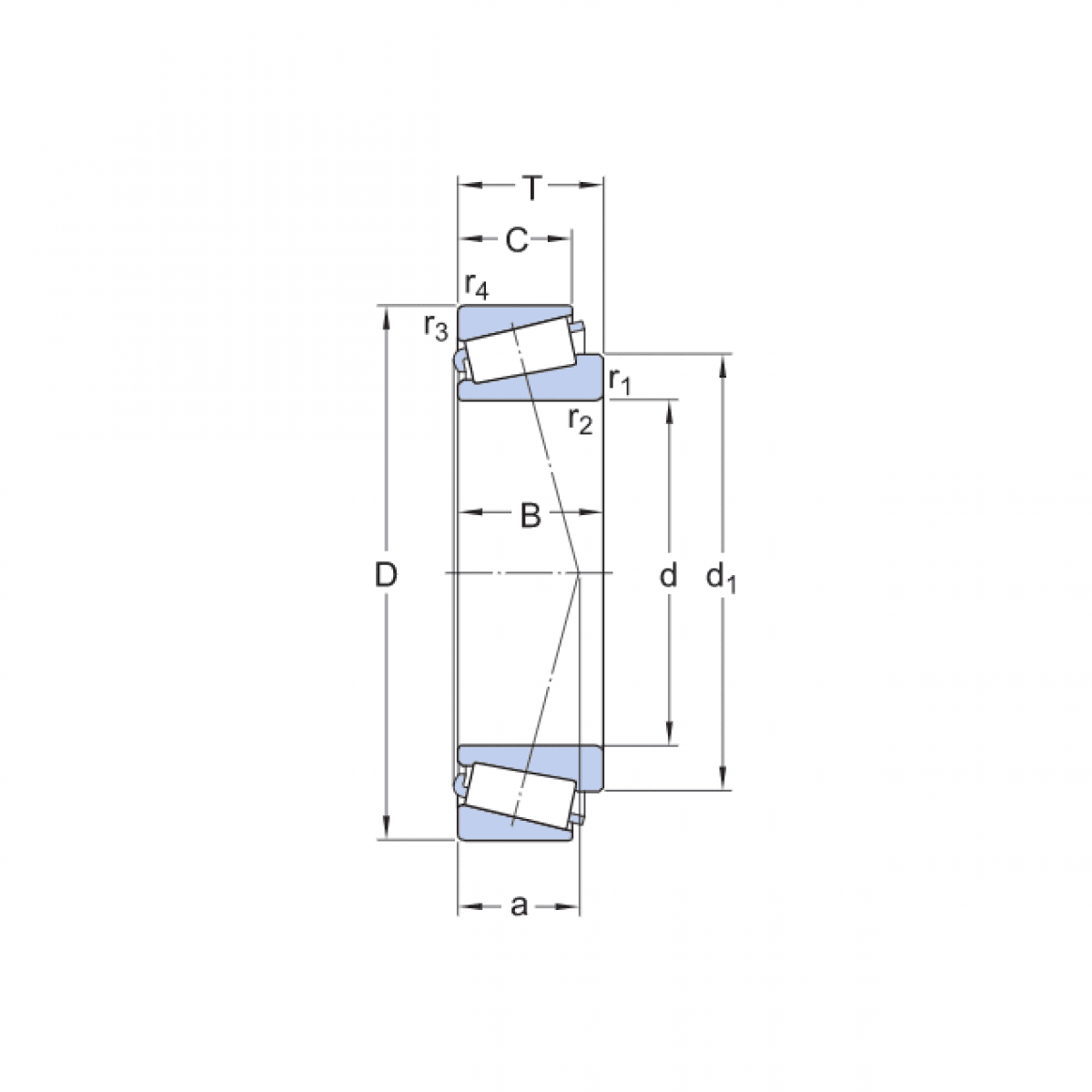
Rozmer: 85x140x41 Značka: KOYO-TORRINGTON
Externý sklad na dopyt
+
-
ks