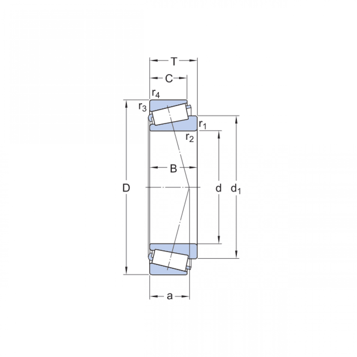
Ložisko 33118 A - MTM

Rozmer: 90x150x45 Značka: MTM
Externý sklad na dopyt
+
-
ks