Ložisko 33118 CX1 - FLT

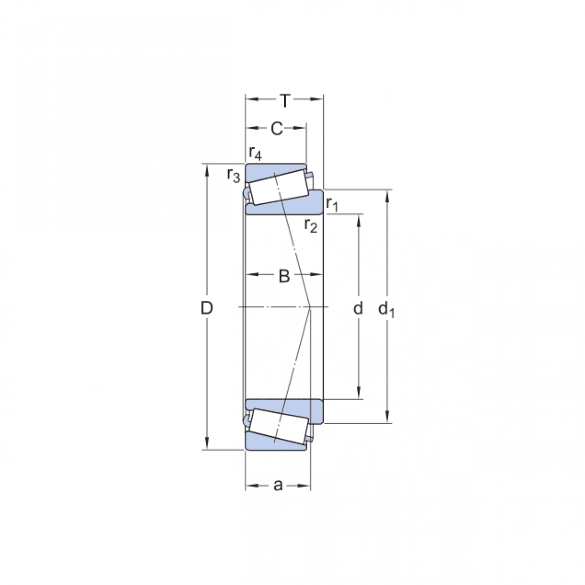
Rozmer: 90x150x47,19 Značka: FLT
Externý sklad na dopyt
+
-
ks