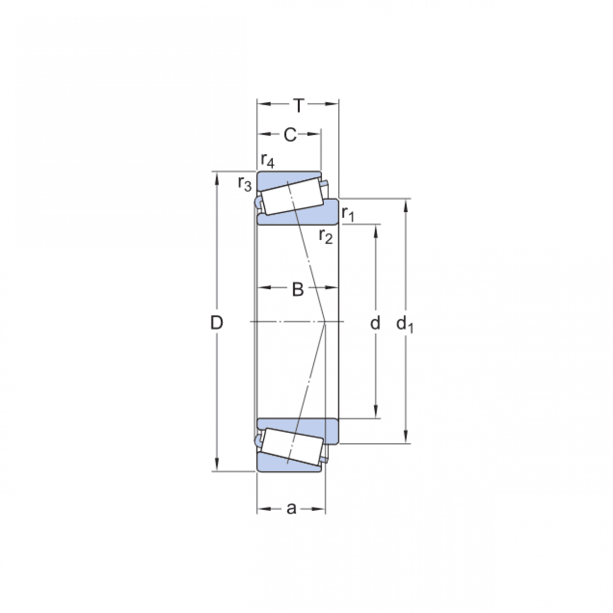
Ložisko 33118A - ZKL NEW

Rozmer: 90x150x45 Značka: ZKL
Externý sklad na dopyt
+
-
ks