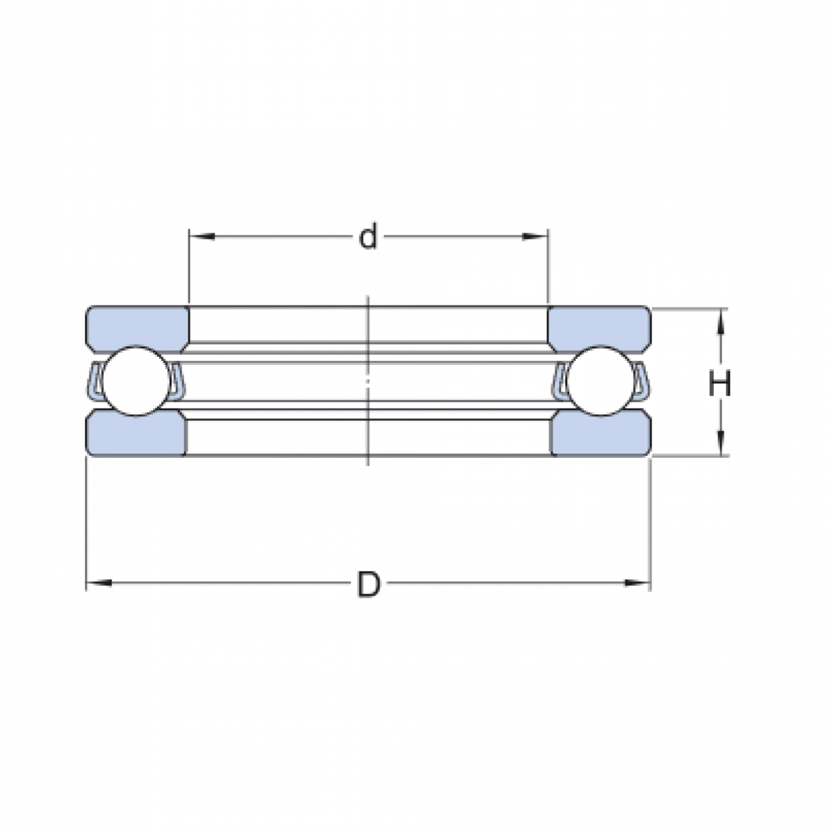
Ložisko 51318 - CMB

Rozmer: 90x155x50 Značka: CMB
Externý sklad na dopyt
+
-
ks