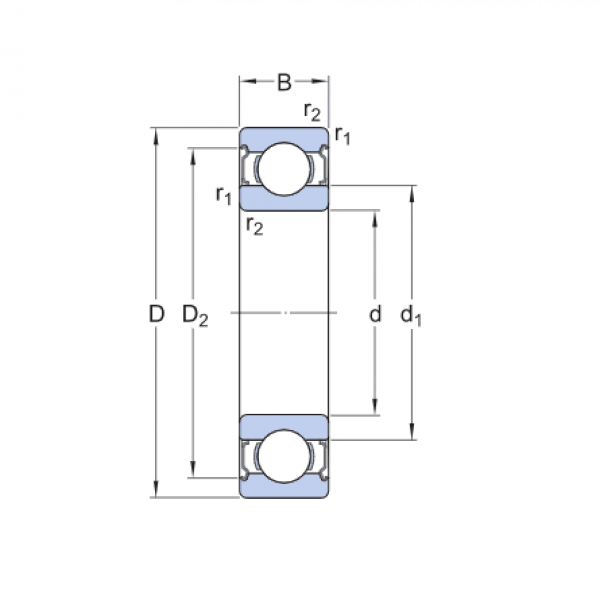
Ložisko 6000 2RS - MTM

Rozmer: 10x26x8 Značka: MTM
Externý sklad na dopyt
+
-
ks