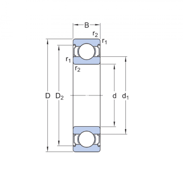
Ložisko 6000 2RS1 C3 - SKF

Rozmer: 10x26x8 Značka: SKF
Externý sklad na dopyt
+
-
ks