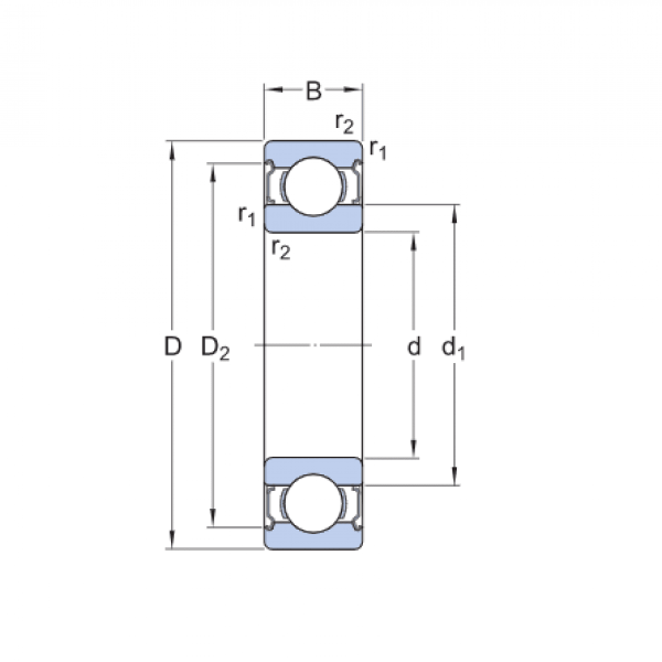
Ložisko 6000 2RSH C3 - SKF

Rozmer: 10x26x8 Značka: SKF
Skladom 20 ks na dopyt
+
-
ks