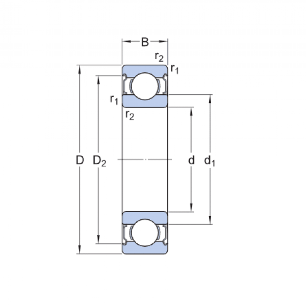
Ložisko 6000 2RSR C3 - FAG

Rozmer: 10x26x8 Značka: FAG
Externý sklad na dopyt
+
-
ks