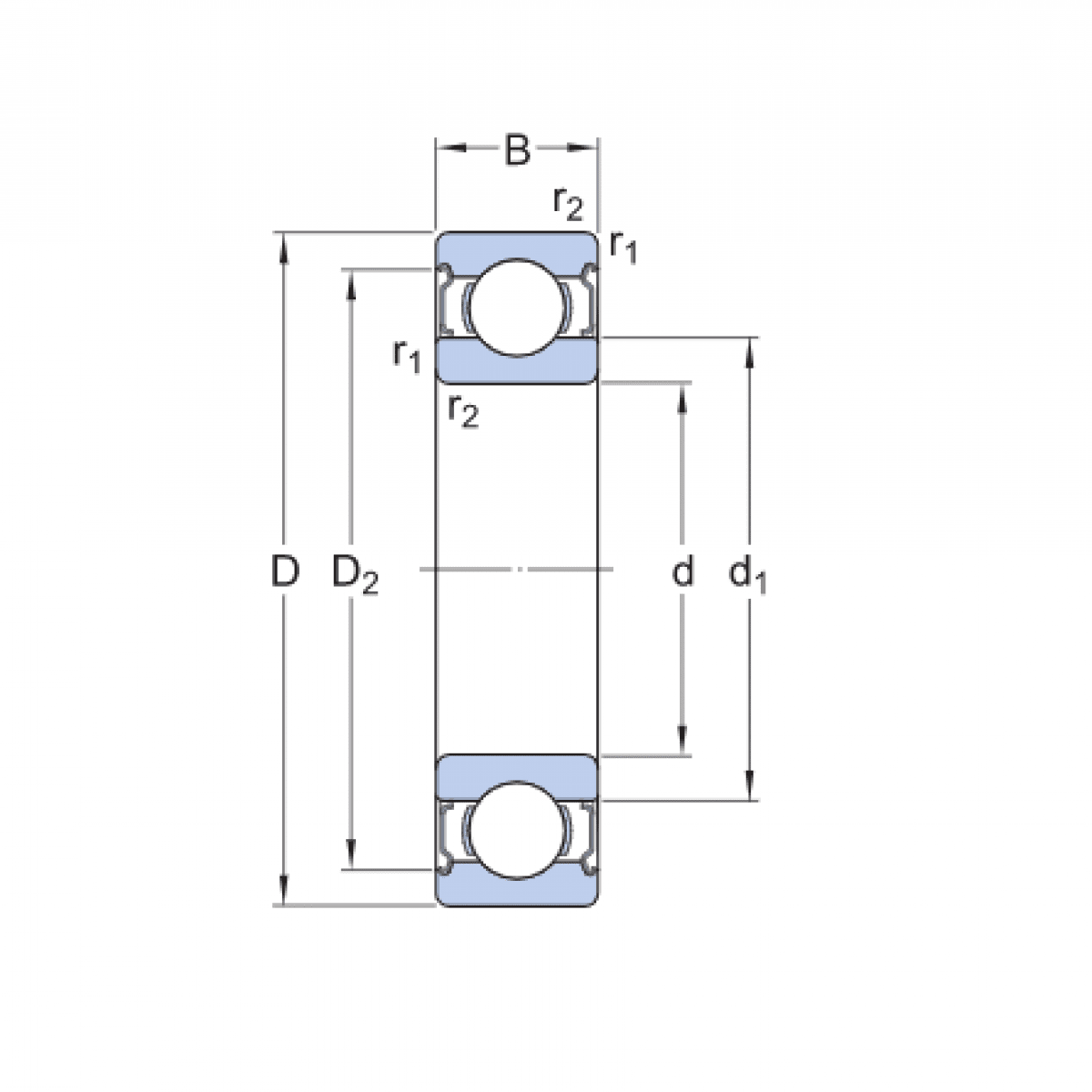
Ložisko 6000 2Z C3 - ZEN

Rozmer: 10x26x8
Externý sklad na dopyt
+
-
ks