Ložisko 6000 2Z - CX

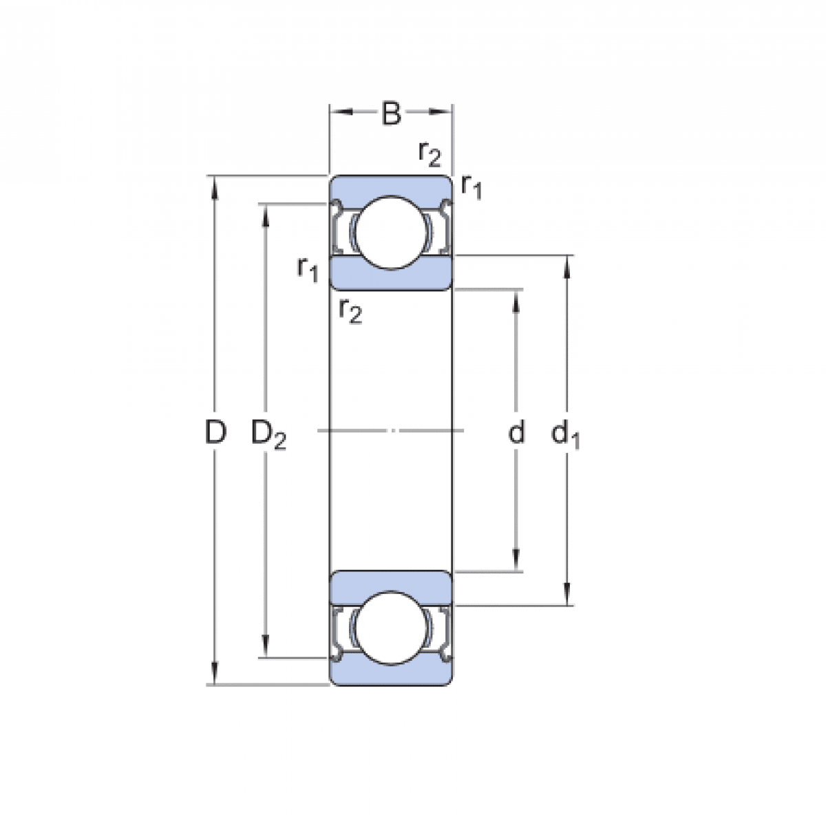
Rozmer: 10x26x8 Značka: CX
Skladom 13 ks na dopyt
+
-
ks