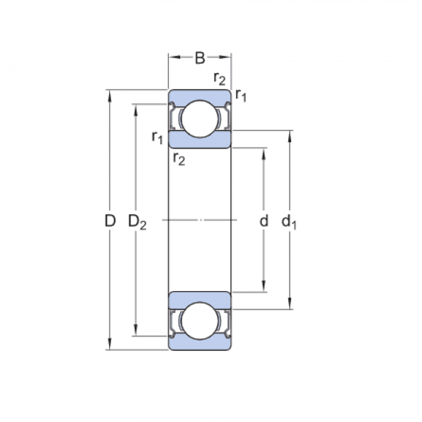
Ložisko 6000 2Z - KBS

Rozmer: 10x26x8 Značka: KBS, KBC
Externý sklad na dopyt
+
-
ks